Колеги, тъй като във вторник(най-вероятно) и аз ще стана собственик на ксенонче, искам да попитам дали някой ще може да обясни с няколко реда как точно да си го монтирам. Стана на въпрос в една от темите, че е нужно да се сожи и някакво реле. Ако може да кажете какво е то (марка, параметри?) и къде точно по веригата се слага? Обичам да се занимавам с колата си и не ми се дават излишни пари за монтаж, за това се надявам да получа отговори
Реклама
Collapse
Съобщение
Collapse
No announcement yet.
Монтаж на ксенон - как?
Collapse
X
-
Реле мисля, че не ти трябва. За момента и аз съм без реле и няма проблеми. Иначе монтажа е лесен. Просто няколко кабела. При мен трябваше да се свалят фаровете. След това да се пробие пластмасата която пази крушката от вода.След това всичко е plug and play.Успех.Обичта е по - силна от омразата. Сърцето е по - силно от огорчението. Усмивката на душата е по - силна от мрака. Великодушието надмогва мъстта.
Трезвен ТУК не пиша!
Un Italiano Vero
-
Хора не се шегувайте с тази работа.Бравото и Мареата нямат фабрично монтирани релета на фаровете и захранването на "ксеноните" ще стопи ключа за пускане на светлините.При запуск токът е доста голям ( за няколко милисекунди). Така че монтирате си релета и готово. На опаковката на "ксеноните" има схема как се свързват релетата.Lancia Kappa 2.0 20V
БЪРЗ , НО НЕ БЕЗОТГОВОРЕН !!!
Коментар
-
Ксенона изисква т. нар. баласт, повишаващ трансформатор (условно казано). Всякакви измишльотини, които нямат такова устройство НЕ са ксенон. Монтажа на пълния комплект (крушка+баласт) не изискава монтирането на каквато и да е допълнителна електроника. Фаровете на всички модели Фиат след 1989г. са с релета.
Коментар
-
Разгледай малко по-задълбочено горната схема и.....пак ще говоримRokambol написа:Ксенона изисква т. нар. баласт, повишаващ трансформатор (условно казано). Всякакви измишльотини, които нямат такова устройство НЕ са ксенон. Монтажа на пълния комплект (крушка+баласт) не изискава монтирането на каквато и да е допълнителна електроника. Фаровете на всички модели Фиат след 1989г. са с релета.Lancia Kappa 2.0 20V
БЪРЗ , НО НЕ БЕЗОТГОВОРЕН !!!
Коментар
-
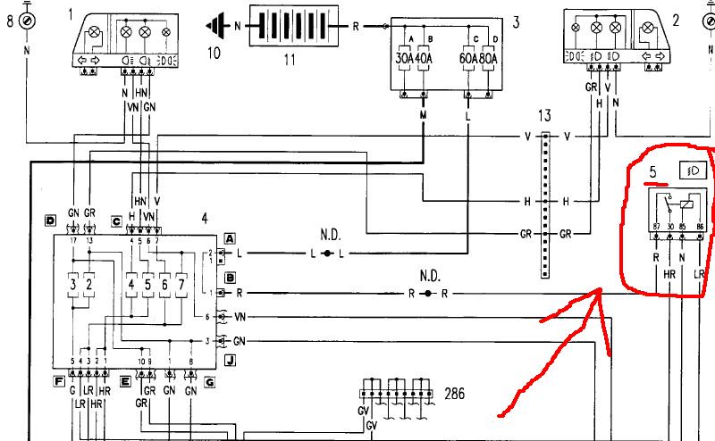
Това реле има следната функция: Когато работят късите светлини захранването им се подава от ключа (без участието на реле). А когато превключиш на дълги светлини, захранването на късите идва директно от акомулатора, а ключа подава захранване само на дългите светлини. Това е направено с цел да не се претоварва ключа за пускане на фаровете. Да не забравяме , че при включени дълги светлини , късите също продължават да светят. Обърни внимание на схемата линии "R" и "HR" къде са свързани. Все пак разгледай схемата малко по задълбочено. Аз също мислих доста по този въпрос. Или казано по друг начин посочената от теб поз.5 е преуритетно реле за светлините.Извинявам се на колегата Kondov че му спамим яко в темата.На опаковката на "Ксенон" комплектите има подробна схема как се свързват към инсталацията на автомобила със реле и без реле.Така че няма нищо страшно.ogi28b написа:колега besnija, а какво тогава е това, и каква функция изпълнява, и всъщност какво търся аз....5 - Dipped Beams RealyLancia Kappa 2.0 20V
БЪРЗ , НО НЕ БЕЗОТГОВОРЕН !!!
Коментар
-
Аз също съм за монтаж през реле. Хубавите комплети ксенони си ги имат тея кабели с релетата барабар и бушони само трябва да се вържат.Та не случаино двата кабела от тоя сноп за +/- са доста дебели и ги дават да се вържат направо от акуто. Аз също бях решил да мина без тях но инсталацията си показа рогата, в началото нещяха да запалят, после палеха ама всеки кога си иска. Почистих буксите на фара и се оправиха, но това ме наведе на мисълта защо тоя проблем се появи при монтажа на ксенона а преди това го нямаше. Погледнах към снопа с релетата и дебелината на плюсовия кабел и ми се светна. С мултицета замерих консумацията, от самото светкане на ксенона до около 10-15 сек докато загрее хубаво, амперите тръгват от 15!!!! (уреда ми хваща само толкова колко повече са били немога да кажа) и постепено падат за 10-15 секунда когато вече стигат стоиност от 5 ампера което е нормално за оригиналната инсталация на колата, но тея 15+ампера на всяко щракане на ключа; мерси съм. Сложих си снопа с релетата и не му мисля вече. Така че ако комплекта ви няма сноп кабели с релета не се скъпете за някои лев купете си две релета и пуснете тока на баластите направо от акумулатора а тока от фара да управлява релетата.Правило № 1- Нещо което работи не се пипа!!!
Правило № 2- На майстори и наркОмани вяра да нямаш!
Правило № 3- Винаги спазвай правило № 1
Коментар
-
И да се потретя... какви са тея релета, от къде да ги купя??? Днес ходих питах един дет слага ксенони, той ме кръщава, че не трябват никакви релета. В моя комплект няма такива, на схемата пише, че може да се сложат допълнително (релетата). Добре аз искам да си монтирам, но незнам какво конкретно да закупя.Fiat Bravo 80 16V
Коментар
-
Абре релета кат релета , отиваш в магазина и искаш 12 волтови релета нормално отворени и тва е, кажи че са ти за колата да пуснеш фаровете през тях и те ще ти дадат квито трябва.Правило № 1- Нещо което работи не се пипа!!!
Правило № 2- На майстори и наркОмани вяра да нямаш!
Правило № 3- Винаги спазвай правило № 1
Коментар
-
Да, besnija е напълно прав, но аз като не разбирам чак толкова от схеми, 2 часа съм се зверил в тая схема и странния и начин на изпълнение, но след като колегата обясни накратко за какво иде реч, ми беше достатъчен 1 бърз поглед за да го схвана. значи на късите няма реле когато работят само те, а при превключване на дълги, се подава ток на бобината на реле 5 която затваря директна верига от акумулатора към късите.besnija, не би ли трябвало при това изпълнение, при включване на дългите, късите да примигват, като това примигване е момента на прекъсване на тока през ключа и затварянето на директната верига?
Коментар
-
Колеги, да попитам вярно ли е това, което подочух, а именно:На стандартните фарове на Бравото не било хубаво да се слага ксенон, защото стъклото им било оребрено от въре и щели да заслепяват насрещно-движещите се коли? Виж на тези с лупите можело, защото стъклото на фара било изчистено.Иии още един въпрос, ако е така има ли някакъв вариант да се смени само стъклото на фара (малко ме съмнява, но все пак...)?Fiat Bravo 80 16V
Коментар
-
Абе кои ти пълни главата с тия глупости бре, ми на всички коли без лупи стъклата са оребрени, като са ти настроени хубаво фаровете никои не заслепяваш. Аз в началото от мерак ги бях наперил до край на горе, щото те колкото ги вдигаш толкова по далече светят. Тогава ми се случи за една седмица 2-3 ма да ми пресветнат, свалих си фаровете с от копчето с 2 позиции надолу и сега нямам никви проблеми. Те и обикновените фарове заслепяват като са вирнати към небесата. Така че слагаи ги няма да съжаляваш, ще прогледнеш, няма такова светене, другите до тебе все едно нямат фарове като спреш до тях на светофара, пешеходците и колоездачите се виждат от далече, виждаш и доста по голяма част от банкета и други зони които до сега не си виждал или си се взирал.Правило № 1- Нещо което работи не се пипа!!!
Правило № 2- На майстори и наркОмани вяра да нямаш!
Правило № 3- Винаги спазвай правило № 1
Коментар
Реклама
Collapse


Коментар