аз пък си мислех че е точно обратното, именно заради по-голямата степен на сгъстяване Значи една кола Браво/а например, при определен наклон, дизеловия двигател ще изпусне, а бензиновия не, така ли ?
аз пък си мислех че е точно обратното, именно заради по-голямата степен на сгъстяване Значи една кола Браво/а например, при определен наклон, дизеловия двигател ще изпусне, а бензиновия не, така ли ?
Ами не е така.В процентно отношение в крайна сметка дизела ще държи повече, но няма да е такова отношението колкото е разликата само от двигателите.А бе много относително това. Може да се сметне, ама на дали ще е интересно на някой.
Аз имам един конкретен въпрос...Как стои въпроса с чипосването на тд100. Колко се повдига мощноста,разхода,вървенето.
Конкретно за ТД100 никой не иска да се навие да те "чипне", защото файда почти няма - както се казва ще ти покачат 10нм въртящият момент и няма да си удовлетворен от получения резултат.
Добре де, чета ви темата понеже става дума за тунинг и се чудя на няколко неща, които ми изглеждат "несериозно".Първо това, че се сменя само софтуера на кола която няма бууст контрол. Това е аналогично като да се чипва атмосферка.Като не повишим бууста, какво значимо повишаване на въртящия момент може да очакваме?Според мен смяната на софта трябва да е придружена със монтиране на кранче за повишаване на бууста, аналогично както се процедира при бензиновите турбо мотори, когато няма възможност за софтуерна намеса в таблицата за базовия бууст.За ТД100 би трябвало да може да се пренастрои помпата по съответния начин и да се вдигне бууста с едно кранче.Все пак за тунинг става дума, там нали няма не може И друго, понеже видях че се правят настройки по време на движение, в смисъл мапване на живо, за бууст метър май няма смисъл да питам гледа ли се, та да питам как се следи горивовъздушната смес, би трябвало докато си карате и се провежда мапването да сте с една дждаджа закрепена навътре в ауспуха. Питам тук щото ми е интересно :D а не искам да досаждам с подобни въпроси на един човек...Нека чипосаните собственици да хвърлят повече светлина
Аз имам един конкретен въпрос...Как стои въпроса с чипосването на тд100. Колко се повдига мощноста,разхода,вървенето.
Конкретно за ТД100 никой не иска да се навие да те "чипне", защото файда почти няма - както се казва ще ти покачат 10нм въртящият момент и няма да си удовлетворен от получения резултат.
Добре де, чета ви темата понеже става дума за тунинг и се чудя на няколко неща, които ми изглеждат "несериозно".Първо това, че се сменя само софтуера на кола която няма бууст контрол. Това е аналогично като да се чипва атмосферка.Като не повишим бууста, какво значимо повишаване на въртящия момент може да очакваме?Според мен смяната на софта трябва да е придружена със монтиране на кранче за повишаване на бууста, аналогично както се процедира при бензиновите турбо мотори, когато няма възможност за софтуерна намеса в таблицата за базовия бууст.За ТД100 би трябвало да може да се пренастрои помпата по съответния начин и да се вдигне бууста с едно кранче.Все пак за тунинг става дума, там нали няма не може И друго, понеже видях че се правят настройки по време на движение, в смисъл мапване на живо, за бууст метър май няма смисъл да питам гледа ли се, та да питам как се следи горивовъздушната смес, би трябвало докато си карате и се провежда мапването да сте с една дждаджа закрепена навътре в ауспуха. Питам тук щото ми е интересно :D а не искам да досаждам с подобни въпроси на един човек...Нека чипосаните собственици да хвърлят повече светлина
Колега,много хора се чудим по същия повод по който и ти се чудиш.В този форум има един колега БО,който чрез софтуера без да пипа турбината твърди че се вдига макс. върт.момент с 90 Нм.Той е учил за въртящи моменти и се е дипломирал за електромагнитни съединители и това е достатъчно за достоверноста на горното твърдение.Това са му аргументите.Никакъв бууст-метър,никакви други параметри в реално време.Пипаш софтуера и 90 Нм кацат отгоре над оргиналната характеристика на двигателя.Нямам думи да изразя по добре наивноста на човек,който стои толкова далече от реалните неща. Разбира се ,че може да се направи тунинг и на двигателя ТД 100 като се пренастрои помпата.Резултата ще бъде сащия както при ЖТД 105.Даже може да се получат и по-добри резултати.А ако се пипне и турбината,тогава нещата добиват съвсем друг вид.И на най обикновена атмосверка може да се направи тунинг и резултата ще бъде в процентно изражение същия както при ЖТД 105.Поздрави.
ОК.Аз тогава да си задам по друг начин въпроса.Ако се сложат на старта едно Браво ХГТ (147) да речем. Преди чипа ХГТ-то дърпа много осезаемо "чисто" 105кс ЖТД. То след по агресивен "чип" на същия двигател, някой от стартовете му взима жтд-то, това всичко от 10-те нм. въртящ момент ли идва? Ой, пропуснах и да кажа, че след агресивния чип има и Q2 диференциал. Но, вярвай, този диференциал няма да свали 2 секунди в ускорение!Чакам отговор Ако е от тези 10нм повишение, представяш ли си какво прави тогава моя двигател с 304нм въртящ момент, направо трябва да съм някъде около 5-6сек до 100км/ч Специално към колегата @Хаджов:Да питам за турбините. Обясни ми кой е главния фактор в една турбина, който след увеличение на оборотите с Х% то увеличението на произведеното от нея налягане да е доста по-ниско от това, което би се очаквало да направи! Или с други думи, кое е главно нещо, което кара турбината да започне да не прави желаното налягане, като излезе от компресорната си карта?
ОК.Аз тогава да си задам по друг начин въпроса.Ако се сложат на старта едно Браво ХГТ (147) да речем. Преди чипа ХГТ-то дърпа много осезаемо "чисто" 105кс ЖТД. То след по агресивен "чип" на същия двигател, някой от стартовете му взима жтд-то, това всичко от 10-те нм. въртящ момент ли идва? Ой, пропуснах и да кажа, че след агресивния чип има и Q2 диференциал. Но, вярвай, този диференциал няма да свали 2 секунди в ускорение!Чакам отговор
Никога,ама никога едно ЖТД-105 какъвто и чип да му направиш,даже може да го направиш като Трабант да пуши не може да се сравнява по ускорение с Браво ХГТ-147 кс.Може само в случаите ако водача на Бравото не знае как се стартира по външна характеристика на двигателя или ХГТ-то не е в кондиция.И твоята Либра 839.А5 също не може да се сравнява нито по ускорение,нито по макс.скорост с ХГТ.В голями заблуди живееш...........Поне си направи справка с заводските данни на автомобилите.
ОК.Аз тогава да си задам по друг начин въпроса.Ако се сложат на старта едно Браво ХГТ (147) да речем. Преди чипа ХГТ-то дърпа много осезаемо "чисто" 105кс ЖТД. То след по агресивен "чип" на същия двигател, някой от стартовете му взима жтд-то, това всичко от 10-те нм. въртящ момент ли идва? Ой, пропуснах и да кажа, че след агресивния чип има и Q2 диференциал. Но, вярвай, този диференциал няма да свали 2 секунди в ускорение!Чакам отговор
Никога,ама никога едно ЖТД-105 какъвто и чип да му направиш,даже може да го направиш като Трабант да пуши не може да се сравнява по ускорение с Браво ХГТ-147 кс.Може само в случаите ако водача на Бравото не знае как се стартира по външна характеристика на двигателя или ХГТ-то не е в кондиция.И твоята Либра 839.А5 също не може да се сравнява нито по ускорение,нито по макс.скорост с ХГТ.В голями заблуди живееш...........Поне си направи справка с заводските данни на автомобилите.
Абе Хаджов, що се излагаш така...Предлагам ти в удобен за теб ден и час да се качим на моята 166 2,4 жтд и да отидем на избран от теб диностенд (за да няма подозрения за тва-онова) и да я замерим.Ако покаже ПО-МАЛКО от 175 к.с. и 390 Нм, аз плащам диното и ти броя на ръка 200 лева.Ако обаче диното отчете ПОВЕЧЕ от 175 к.с. (щото те всъщност са 182 к.с.) и ПОВЕЧЕ от 390 Нм (щото те всъщност са 412 Нм) ти плащаш целия гореупоменат масраф.За постигането на тези стойности - 182 к.с. и 412 Нм (измерени преди няколко месеца) е сменен единствено софтуера през диагностичния порт. Работа за 5 минути.Алфата е 166 2,4 жтд CF2 - 136 к.с. и 304 Нм от завода, произведена 1999 г., на 158 000 км по километраж, но според мен и някои екзаминери е на около 100 000 км повече.Същото упражнение, ако ти останат пари, може да го направим и със 156-цата - тя е 1.9 JTD 8V, 2002 набор, 115 к.с. CF3 (85 кВ), 285 Нм по заводски данни.Тя още не е мерена, но е със сходен чип и се очаква да е поне 160 к.с. и поне 370 Нм. Чиповете и на двете Алфи са Stage 4 Ecu Remap, ако ти говори нещо. По турбината и въобще по хардуера не е пипано НИЩИЧКО. Единствено на 166 съм монтирал Q2 диференциал, че горката не можеше да тръгне от място и въртеше гуми като ненормална даже и на 4-та от тоя идиотски въртящ момент.А, и да не забравя - и двата автомобила пушат лекинко само при рязко ускорение - при ритване на педала изкарват едно черно облаче и тва е, после няма никакъв пушек.И аз често се дърпам с едно Браво HGT със 156-цата - преди чипа ме отвяваше, но сега няма никакъв шанс. Вече даже не се и опитва да ми се опъва.И да не забравя - при запазване на същия стил на шофиране разхода пада с около 0,5-1л/100 км. По-осезателно при 166 заради 6-степенната скоростна кутия. Просто където преди съм карал на 5, сега съм на 6-та; където съм качвал баира на 3-та, сега го катеря на 4-та и т.н. Така си обяснявам икономията - колите се карат при по-ниски оборотни режими на двигателя.Иначе при агресивно каране си гори яко....Всичко това го казвам съвсем сериозно, предизвиквам те един вид. Поздрави
@PinkoAз ако дойда с теб на диностенд и аз правя измерването колата ти ще я изкарам поне 195 к.с. и 320 Нм момент.А може и колкото искаш да ти я изкарам.Живей си и бъди щастлив с тези постижения на колата ти и ги разправяй на твоите приятелчета и автофенове.На мене само ме разсмиват и развеселяват.Радвай се и много fun ти желая................
@Пинко - не вървиш Аз си заложих цялата кола за един такъв тест, ти пък само за някакви си 80-200лв Даже му предложих той където каже, ако ще и двигателя да вади и да го мери, ама ....Виждам, че вече Хаджов вече и "името" ми не иска да споменава в темите, защото явно съм му неудобен и задавам конкретни неудобни въпроси :P
Специално към колегата @Хаджов:Да питам за турбините. Обясни ми кой е главния фактор в една турбина, който след увеличение на оборотите с Х% то увеличението на произведеното от нея налягане да е доста по-ниско от това, което би се очаквало да направи! Или с други думи, кое е главно нещо, което кара турбината да започне да не прави желаното налягане, като излезе от компресорната си карта?
- за втори път, последния ми зададен въпрос, който се отмина между другото едит-2 - Фиат Браво 1.9жтд - преди чип - не е мерено точно но заводско около 18 сек. / 400 метра.След чип, спортен филтър и без катализатор - 15.66 сек.’Бах тези 10нм какво правят. Чудеса направо, а?Ехх, всеки да си представи 10нм как свалят приблизително 2.5 сек. на 400м.Според теб 2.5 секунди смъкване само с 10нм ли стават?И я ми кажи тези 10нм (за които толкова твърдиш, че са толкова - приблизително) при да речем 2000 оборота точно колко конски сили са?След отговора ти, пак ще те питам дали тези ХХ конски сили ще се усещат така Пак излизам с точни данни, нали това искаше, не разни там "менте диаграми от тъпи дино стендове", а реални резултати на старта!И отново започни да говориш не с цифри а това, което сърцето ти говори Но само едно сърце няма да ти стигне Както се казваше в една реклама - "Не става само с ядене, трябва и акъл"
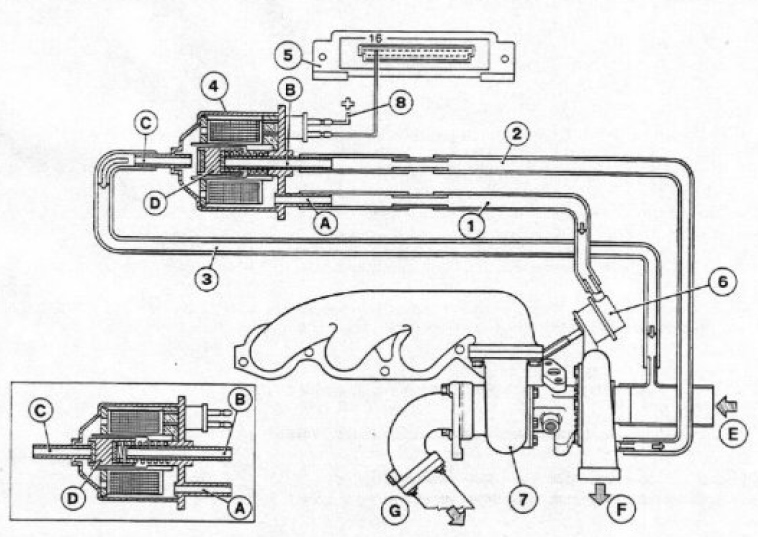
Цялото недоумение идва от това, че беше споменато че няма бууст соленоид при тия мотори, чрез който софтуерно да се качи надуването на турбото.Я пуснете една схема на турбо захранването, да се види наистина ли бууста се управлява само от пружината на актуатора?Нещо като тая картинка по-долу.Щото това яко качване на въртящ момент, ако не става с яко надуване ще става с магия някаква :D
ici: Всичко си е стандартно, свръхпроизводителността я постигат с овърклок на процесора, ааа, извинявай, с "чип тунинг" на ECU-то, тъй наречения още РЕМАП на ECU-то. В общия случай говорим за двигател 1.9JТД с напълно механична турбина. Предполагам във завода умишлено са "скопили" софтуера и за това двигателя фабрично (stock) постига само 105 коня. Когато обаче "хакерите" го пипнат - го правят средно между 135 и 142 коня според нафтата и позицията на луната (муун бууст заради гравитацията)... Не знам, изчетох всички теми и ми се струва, че най-добрата покупка на кола съм я направил като съм купил такава с този двигател. Тия дни остава да събера едни пари и да си купя малко коне - по 10лв/кон вървят според стандартната тарифа. При договаряне стигаме и до по-ниски цени на кон...П.П. Забравих да спомена, че автомобила става и по-икономичен, освен че е и по-мощен... ммм, как да не го направя? Имам около 290лв. липси, но ще го преживея и до 1 месец ще съм с ЧИП и аз
Цялото недоумение идва от това, че беше споменато че няма бууст соленоид при тия мотори, чрез който софтуерно да се качи надуването на турбото.Я пуснете една схема на турбо захранването, да се види наистина ли бууста се управлява само от пружината на актуатора?Нещо като тая картинка по-долу.Щото това яко качване на въртящ момент, ако не става с яко надуване ще става с магия някаква :D
Еее,приятел в техниката няма магии.И в случая няма,защото няма никакво яко надуване.Не стига че хората са постигнали такива яки "постижения" с един прост ремап на софтуера,а ти пък искаш и магьосници да ги изкараш.А що се отнася до "якото нарастване" на въртящия момент това може да съществува само във фантазиите и въображенията на недостатъчно просветените в тези проблеми хора.Като нямат личен опит,поне книжки трябва да се прочетът повечко.А пък трябва да може и да мислят.Поздрави.
Стефане, човеко, Pinko е един от хората, които работата им освен да снимат е и да четат книжки Изчел е доста. Щом ти казва, че може - значи може. Ти не спори повече, че и без това явно не ги разбираш тия неща
Спора за турбината май ще се пренесе и тук...При какво налягане се разтоварва турбината при нормално JTD105 и кога при JTD105 с ремап на компа?Дайте повече инфо за колите си,като поведение и общо състояние след ремапа!?
Пежо 207 1.6 турбо, на Ф60 и Pipercross PK002F, но с дупка в буталото ...
Пунто Ево 1.6 multijet ... да видим кво ще излезе ?! http://www.keepfighting.ms
Коментар