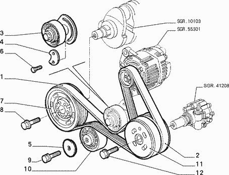
Днес след смяна на едната от 2те малки ролки на пистовия ремък започна едно скърцане от него?След което и дадах малко повечко газ и светна лампата на акумулатора и изгуби хидравликата... Това което забелязах е че долния ремък е отпуснат.. този на който е ролката на коляновия 2 малки ролки и онази която отива към комресора на климатика..От ролката която е на комресора тръгва друг ремък.. но той си е обтегнат както си трябва..Каква може да е причината за отпускането на ремъка? След като сменихме днес тази ролка почнаха циганийте преди това нямаше проблем2.0 20в е колата - Браво 96та
Реклама
Collapse
Съобщение
Collapse
No announcement yet.
Отпуснат пистов ремък?
Collapse
X
-
http://www.axm-auto.com/image_displa...73.jpgТова е комплекта външна автоматична обтяжна ролка
Успех с обтягането, и един от двамата ти майстори трябва да не бъде наричан никога повече майстор.
Коментар
Реклама
Collapse


Коментар