Понеже имам Стило и бих искал да ви попитам един въпрос, ако сметнете че въпросът ми не е за тази тема ще го изтрия.Днес търсех място за сд и махнах пепелника, и за него има една пластмасова преграда , местото е малко за сд.Помислих си дали да не срежа пластмасата , но не знам какво има зад нея. Ако някой от вас знае ще ми бъде от полза.
Реклама
Collapse
Съобщение
Collapse
No announcement yet.
Да опознаем Фиат Стило!
Collapse
Заключена тема
X
X
-
Виж бейби не сме глупаци,
ние сме отбор от здравеняци.
Да бъдеш с нас знам, че го желаеш,
така че качвай се на дансинга и започвай да играеш!
http://www.youtube.com/watch?v=UDWnMXzgeZo
-
Моят двигател е 192А1.000. Информацията във алфа форума за нашия дебитомер не е вярна.Дебитомер 0 281 002 308 използва сензор 00C 2G2 044. Същият сензор се използва и във дебитомер 0 281 002 309.По размери и форма 0 280 218 019 и 0 281 002 309 са абсолютно еднакви, но последния се използва в по-новите двигатели (май след 2000г.).Коментари по двата сензора има в темите за дебитомери във този форум, както и във алфа форума.emzo написа:Ами трябва да го изясним тогава, за да не подведем някого.Става дума за двигатели:192A1.000192A3.000http://clubalfaromeo.com/forum/showthread.php?t=25278А и като гледам в еситроника продуктовия им код е един и същ.Stilo Dynamic MW 1.9 JTD '03
Punto HLX JTD '02
Коментар
-
Докладвам, че онзи ден и аз смених прословутия тампон на двигателя! :D (за който не е в течение за кой тампон става дума, да прочете темата Тресене на празен ход при Стило и особено чудесното ръководство FIAT STILO 1.9 JTD Тресене и вибрации - Решение. Та споделям впечатления:Благодарение ръководството на Радослав нямаше особени проблеми с ориентирането в обстановката. Все пак, при мен имаше някои разлики:- Тампонът вече може да се намери на доста по-ниска цена. В Александър ауто по тарифа е 117 лв., а понеже са партньор на Фиат форум България, членовете на сдружението ползват отстъпка и от тази цена. Yellow_Flash_Colorz_PDT_08 - Има една дребна неточност в ръководството: кутията на акумулатора се държи на 4 болта (Стъпка 5 в ръководството на Радослав). Но не вярвам някой да не го види четвъртия болт.- Най-много ме измъчи разхлабването на долния заден болт на тампона. Понеже отгоре нямаше място за работа с тресчотката, наложи се да го атакувам отдолу с гаечен ключ.
- Споменато в ръководството време от 45 минути за цялата операция според мен е постижимо само за доста сръчен човек, който познава добре автомобила и разполага с всички необходими инструменти. На мен ми отне доста повече време Yellow_Flash_Colorz_PDT_19.След като сглобих всичко и подкарах Стилото, първоначално ефектът не ми се стори толкова осезателен, колкото го описват всички, сменили тампона (може би защото валеше дъжд). Но след като покарах един ден до голяма степен си промених мнението. Ето подобренията, които забелязвам:- Преди се виждаше как вибрира капакът на двигателя. Всъщност забелязваше се потрепването на края (ръба) на капака. Сега колкото и да гледам отвътре, не виждам да мърда. Подобно и със сенника над предното стъкло.- Имам чувството, че сега и двигателят работи малко по-тихо. Което сигурно не е така, но явно общото утихване създава това впечатление.- Някак по-плавно потегля автомобилът при отпускане на съединителя. Не че преди тресеше, но има някаква разлика. Изобщо, като цяло има усещане за намаляване на шума и подобряване на комфорта.Та в заключение да кажа, че си струваше времето и парите. Да, можеше и да не го сменям, но така определено е по-добре. Препоръчвам упражнението на всеки със симптомите, описани от Радослав в ръководството, стига да има парите, времето и желанието да си направи колата по-приятна за каране. Yellow_Flash_Colorz_PDT_15
ex FIAT Stilo 1,9 JTD Dynamic 3 врати
Коментар
-
Ако имаш желание, мога да ти дам жабка с място за чейнджър с формата на дупка за сд - аз имам сд на мястото на фабричното, а ми трябва нормална жабка - шанже за твоята.Мястото си е с ламарината за монтаж, а и няма да ти се вижда - в хладилната жабка ще си е.Пиши на лични ако си ок.@Pecho Браво! И при мен се усетиха същите неща, благодарение на Радо и Иван! :D При мен не се търпеше направо.fiatmaniak написа:Понеже имам Стило и бих искал да ви попитам един въпрос, ако сметнете че въпросът ми не е за тази тема ще го изтрия.Днес търсех място за сд и махнах пепелника, и за него има една пластмасова преграда , местото е малко за сд.Помислих си дали да не срежа пластмасата , но не знам какво има зад нея. Ако някой от вас знае ще ми бъде от полза.Сега Фруктиера в БГ и Додж навън
Карал Типо 1.6 75 ->Пунто 1.2 75->Браво 1.9Д->Стило 1.9 JTD
Коментар
-
Има и един друг момент, след време тампона "омеква" и "се намества" с което нещата стават още по-добре. 45 минути му отнема на Иван, а GTipo знае за какво става въпрос, при него даже частично на пълна тъмница с фенер му демонстрира движението.
Иначе за забележките си напълно прав, това място е гадно и си иска просто инструмент или малко повече чалъм както ти си направил. Аз се тука викам за стабилизиращия тампон, че искам да сменя с този от 150 коня mjet-а (и да споделя впечатления), но още не съм го направил, а трябва и термостат май да сменям сега преди зимата, тъй че ще се отложи за момента ненужни упражнения.
'08 Alfa Romeo 147 Q2
ex. Modified '02 FIAT Stilo 1.9 JTD powered by Garrett GT2256V
Коментар
-
Иване четири са при него знаеш ли защо, защото явно кутията му още не се е счупила както нашите с GTipo и там на ухото има един четвърти който се отвива, за да падне ... това не съобразяваме.1115 написа:Странно - при Радо и Жоро болтовете на кутията за акумулатора бяха 3бр.
Pecho нашите кутии отгоре и двете са счупени по един и същи начин с GTipo, и затова пада кутията на 3 винта, четвъртия отгоре седи ей така за красота при нас.
'08 Alfa Romeo 147 Q2
ex. Modified '02 FIAT Stilo 1.9 JTD powered by Garrett GT2256V
Коментар
-
И при мен болтовете са четири. В Пловдив има едно триврато Стило на части.Всичко му стои.Цените са на пазарлък.
Предлагам да си разменим телефонните номера на ЛС.Много често ми се налага дребна консултация за колата,а нямам достъп до форума.Съгласни ли сте? Имам карти и на трите мобилни оператора.
Octavia RS
Evo 10-служебната играчка.
Коментар
-
Аз даже вече палнах до човека на собствен ход до Пловдив да си взема кора за под мотора.Red Storm написа:И при мен болтовете са четири. В Пловдив има едно триврато Стило на части.Всичко му стои.Цените са на пазарлък.
Предлагам да си разменим телефонните номера на ЛС.Много често ми се налага дребна консултация за колата,а нямам достъп до форума.Съгласни ли сте? Имам карти и на трите мобилни оператора.
И фаровете го питах да му взема, но той беше спазарил единия. Цените са му добри, човека и тук го има във форума, ако за една и съща кола говориме.П.С. Пусни си телефона на лично, ще ти дам моя и ако има нещо с което да сме полезни един на друг няма грижа от моя страна.
'08 Alfa Romeo 147 Q2
ex. Modified '02 FIAT Stilo 1.9 JTD powered by Garrett GT2256V
Коментар
-
И аз си търся подлакътник за Стилото.Ако някой има да казва.Виж бейби не сме глупаци,
ние сме отбор от здравеняци.
Да бъдеш с нас знам, че го желаеш,
така че качвай се на дансинга и започвай да играеш!
http://www.youtube.com/watch?v=UDWnMXzgeZo
Коментар
-
То май тази тема ще стане - ръководство за стило от българи за българи
е лошо няма.. но колеги имам аз един проблем сериозен и понеже сега се занимавам поради обстоятелствата със стило за това викам си да питам малко по патили от мен.Тък ато не си послушах съвеста казваща ми смени и двата ботлта на кормилната щанга че да ти е мирна главата... аз купих само единия че другия си бе наред, дадох 80 евро за реглаж(това не е в България а във Финландия) което бе най-ниското възможно и три месеца по късно и десния сдаде багажа неговата майка. Само за справка да кажа че тук в официалния дилър и подържащ фиати център цена на час труд е 89 евро, болта бе на цена 45 и реглажа бе 90. Е та аз болта го намерих за 20(естествено че и тука има магазинчета дето не ти смъкват и кожата от гърба), смених си го сам за без пари.. ама центровката няма как да си я направя сам (тоест аз я докарах до -0.8мм ама по стария метод на мерене с едни пръти дето изнамерихме от един чичка ,ма добре е да си мине на реглаж като хората и там друго показа :P :P Но сега така или иначе щше сменям десния и пак реглаж ама се загледах в друго:
На уголемената снимка се вижда за кой още тампон ме притеснява. Тази част която седи по средата(като зъб) е подбита ( и на двете окачвания - ляво и дясно) и при свалено колело напъвайки назад шенкела с ръка , колата е повдигната на крик , носача поддава назад което не ми се види много нормално. Според мен целта на този тампон е да си уплътнява навсякъде и би трябвало да опира във всички стени на този кръгъл отвор или греша?
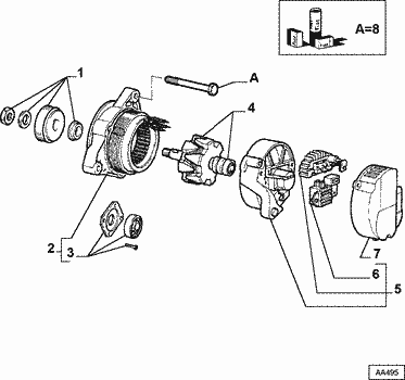
И до колкото виждам от тази снимка :
Там са под номер едно 3 неща.. как да разбера кое е този тампон и продава ли се отделно
Та сега и въпросчетата :- има ли някъде как се сменя тя гуменерия да хвърля едно око или ако някой му се удрят два лафа няма да откажа та да ме посъветва по темата,щото аз си имам една идея че трябва да се извади носача и от предната втулка иначе няма вадене...- при другите коли дето съм се занимавал трудното влизане на трета предавка и понякога претропване откъм двигателя и/или подрипване на колата при освобождаване от скорост(1-ва най вече) е признак за износен пампон - и тук ли е така? Или в повечето случаи дизелите страдат по често от този проблем ама знам ли..(позиция 7)
Колата е ве още стило модел 2005 с двигател 1.4 95 коняБлагодаря от сърце на отзовалите се..oftopic Само за идеята... къде да изнамеря кой номер са тия ябълковидните болтова накрая на кормилната щанга , че тука нешо само едни гайки са посочени тяхната..
Oт зората на моторизацията автомобилът е необходимост - само в България ни убеждават, че е лукс..
Коментар
-
Не е по темата в момента но да ви покажа нещо:http://www.fs-oc.net/fiat-stilo-guid...mlТемата е за сваляне на фар, без изцяло сваляне на бронята, може би трябва да се пробва.Почистването, както го е направил radoslavp при мен не даде резултат...още повече че при мен самата клапа не беше толкова мръсна, колкото е на снимката. Обаче ми изглеждаше омаслена, също и вътрешността на големия маркуч. Мислех си да не е турбото (пушенето имам в предивид) но не губя масло, гледам през ден. И нивоиндикатора ми показва че имам бая -макс. Маслото си е черно...не е бозаво или нещо такова...антифриза си е зелен ( не ме питайте що е зелен :D ), освен това си вдигам максималните обороти на всяка предавка. До 4-та съм пробвал че на 5-а ще трябва да е към 220, до сега съм се осмелил да вдигна до 200. Есетствено при тая скорост, няма как да знам дали пуши. Но на 4-та забелязах че си пуши постоянно, след 3000 оборота. Другото е че при по-студено време почти не пуши.Мисля да пробвам това:http://www.fs-oc.net/fiat-stilo-guid...e.htmlСега се появи и друг проблем - презареждане!Вчера реших да премеря акумулатора на запалена кола, защото трудно въртеше при палене напоследък - 15,6V !Накарах жената да натисне газта, на максимални обороти на празен ход - пак толкова!Вчера ми казаха че това може да е ниво-регулатора...какво е това чудо и къде се намира, знаете ли?П.П. Намерих го в епер - 9951156 - номер 6Сега Фруктиера в БГ и Додж навън
Карал Типо 1.6 75 ->Пунто 1.2 75->Браво 1.9Д->Стило 1.9 JTD
Коментар
-
GTipo, а след като зачисти throttle body-то спря ли да ти се омаслява тази черната вакуум помпичка за която говорихме? При мен вече от както изчистих там е перфектно суха, преди при продължителни карания се разтичаха гадости по нея веднага.longgo за тампони можеш да направиш един тест, спираш колата, дигаш ръчната, включваш първа и започваш да играеш със съединителя като бързо го отпускаш и точно преди колата да загасне пак го натискаш с което натоварваш тампоните значително и целия двигател ще играе в коша. При такова упражнение не би трябвало да имаш никъде чукане, удряне на твърдо, тропане и тн.'08 Alfa Romeo 147 Q2
ex. Modified '02 FIAT Stilo 1.9 JTD powered by Garrett GT2256V
Коментар
Реклама
Collapse


Коментар