Реклама

Collapse

Съобщение

Collapse
No announcement yet.

Fiat Idea 350 - проблем с чистачките

Collapse
X
 
  • Филтър
  • Час
  • Покажи
Clear All
new posts

    Fiat Idea 350 - проблем с чистачките

    Здравейте,

    Нов съм във форума, ентусиаст, опитващ се да помогне на роднина. Надявам се да можете да помогнете.

    Чистачките не работят на интервали, само на най-бързия и то за първите няколко секунди от подаване на контакт. След това цъква нещо като реле и спират. Лостовият механизъм (заедно с фаровете и пътепоказателите) е подменян. Резултатът е идентичен. Ето го проблемът:




    Отворих и мотора и натиснах ламаринките да правят по-добър контакт:



    Старото лостче го отворих преди да взема новото и помислих, че е от някое от релетата, но с новото лостче този проблем остана.

    Идеи за тази Идеа?

    Поздрави!
    Прикачени файлове

    #2
    Или пистите на мотора или реле. За да изолираш проблема, измери дали идват 12+ на буксата на мотора като минеш през всички позиции на лоста.
    00' Bravo 105 JTD

    Коментар


      #3
      nikolce написа: Преглед на мнението
      Или пистите на мотора или реле. За да изолираш проблема, измери дали идват 12+ на буксата на мотора като минеш през всички позиции на лоста.
      +12V има. И релето от платката на лоста също цъка през определени интервали и ту се появява, ту спира 12-те волта (вкл./изкл.). Ще направя видеоклип. Какво може да им е на пластините? Дали някой може да ми каже къде има други релета, които имат отношение? Не мисля, че в двигателния отсек и в купето при предпазителите има реле за тези цели.

      Много ще оценя, ако ми пратите линк към ел. схема на чистачките, в Autodata няма нищо...

      Също така забелязах, че фаровете са постоянно включени на контакт. И не се изключват от лоста. ЕКУ-то успява да ги изключи като тествам от една диагностика. Много странно...

      Коментар


        #4
        Понеже не пишеш дали спира да работи и пръскането на вода на прозореца, виж дали на предпазител 43 не изчезват 12-те волта когато чуеш цъкането:



        bbozhanov написа: Преглед на мнението
        +12V има. И релето от платката на лоста също цъка през определени интервали и ту се появява, ту спира 12-те волта (вкл./изкл.)...
        Това е малко объркващо.
        На мотора на пин-2 трябва да му "влиза" масата. На пин-3 тази маса "излиза" и влиза на пин-6 на буксата на лостчето, за да окаже, че мотора е в съответната нулева позиция.
        През пин-1 трябва да му влизат 12-те волта за бързата скорост и през пин-5 за бавната скорост.
        Та къде хем има +12 волта на мотора, хем пък не работил? Защото на който и от двата пина (1 и 5) на мотора ако се появи +12 волта, то мотора трябва да завърти.
        Последна редакция от BO; 17.09.2020, 12:13.
        A20DTH ЖТД ама не баш
        1NZ−FXE ; 182A8.000 Брава
        Х... 330XD, Мултипла, Мареа, Либра, Пунто; 166; Брава; 146; Тема; 145; Типо; Панда

        Коментар


          #5
          Понеже не пишеш дали спира да работи и пръскането на вода на прозореца, виж дали на предпазител 43 не изчезват 12-те волта когато чуеш цъкането:




          Това е малко объркващо.
          На мотора на пин-2 трябва да му "влиза" масата. На пин-3 тази маса "излиза" и влиза на пин-6 на буксата на лостчето, за да окаже, че мотора е в съответната нулева позиция.
          През пин-1 трябва да му влизат 12-те волта за бързата скорост и през пин-5 за бавната скорост.
          Та къде хем има +12 волта на мотора, хем пък не работил? Защото на който и от двата пина (1 и 5) на мотора ако се появи +12 волта, то мотора трябва да завърти.

          Така вече може да се работи с отворени очи. На мен ми липсва описание дори на предпазителите на тая кола. Да не говорим за ел. схеми. Тегля нещо от рутракер, обаче сийдърите се появават много рядко и вече няколко дни не мога да го изтегля. Надявам се в него да има схемите за в бъдеще.

          Какво стана сега: отварял съм мотора около 15 пъти. Какво ли не правих: пробвах с/без грес, тествах пластините/проводниците с мултицет (на колелото и на платката); чистих с шкурка, огъвах ламаринките за да правят по-добър контакт с тази на колелото... докато не направих следния тест:



          Така работеше отлично. В момента, в който сложа платката в кутийката ѝ и я щракна над зъбното колело, спираше да работи. Още с щракването. Така си играх няколко пъти, тествах всички писти и компоненти по платката многократно - всичко работеше. Накрая прибрах платката в кутията ѝ и всичко остана да работи. Карах колата известно време така, палих и гасих, няма никакъв проблем. За първи път аз сам не мога да си обясня какво точно става или се е променило, та работи. Но съм сигурен, че е нещо там. В краен случай съм намерил целия мотор с раменете за 50 лева втора употреба и ако има нещо, ще го поръчам и заменя целия.

          Мерси за помощта на колегите от форума! Ако имате литература и бихте споделили, ще съм много благодарен. Иначе ще чакам да видя какво ще се изтегли от тракера.

          Коментар


            #6
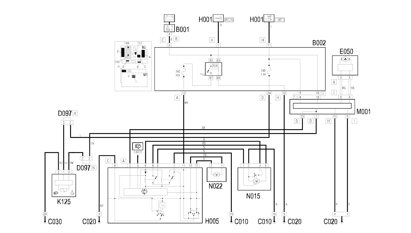
            Докато писах горното мнение, се появи сийдър и успях да изтегля програмката от rutracker. Жестока е, има всичко! Качвам няколко картинки, които може да са полезни за хората след мен, които четат по темата.

            Също така и пращам линк (може би ще отворя нова тема) към програмата, която качих на място, където ще е достъпна дълго време и може да бъде теглена също толкова бързо:

            eLearn Fiat Idea
            Прикачени файлове

            Коментар


              #7
              Сигурно има някъде студена спойка
              FIAT MAREA 1.6 16V Weekend 99

              Коментар

              Working...
              X