Много мислих какво ли не мислих, но пак прибегвам до форума дано някой да помогне.Става пак въпрос за JTD Bravo 1.9 99’ година имали датчик на самият радиато, как е прикрепен за него и каква букса влиза в него. Ще съм благодарен , ако може и някой снимка. Щото лично аз нямам датчик и се съмнявам, че съм с друг радиатор.
Реклама
Collapse
Съобщение
Collapse
No announcement yet.
Датчик на радиатора
Collapse
X
-
Re: Датчик на радиатора
И аз да се намеся защото от два часа се опитвам да реша проблема на колегата.За въпросния автомобил Браво 1,9 JTD 1999 г. по епер излиза ,че трябва да има датчик който подава инфо към реле което управлява вентилаторите.Прикллючението е голямо така ,че ако можете помогайте с каквото можете.Ka3BaM написа:Много мислих какво ли не мислих, но пак прибегвам до форума дано някой да помогне.Става пак въпрос за JTD Bravo 1.9 99’ година имали датчик на самият радиато, как е прикрепен за него и каква букса влиза в него. Ще съм благодарен , ако може и някой снимка. Щото лично аз нямам датчик и се съмнявам, че съм с друг радиатор.Fiat Bravo 1,4 12V; Lancia Zeta 2,0 Turbo; Fiat Doblo 1,9 Multijet 120 h.p.
Fiat Marea Weekend ELX 1,9 TD - бившата
-
Да обаче епер не е съгласен с това.BO написа:Със сигурност ЖТД-то няма такъв термодатчик.Термодатчика се слага на ТД вариант.Перките на ЖТД-то се управляват от ЕКУ-то.Прикачени файловеFiat Bravo 1,4 12V; Lancia Zeta 2,0 Turbo; Fiat Doblo 1,9 Multijet 120 h.p.
Fiat Marea Weekend ELX 1,9 TD - бившата
Коментар
-
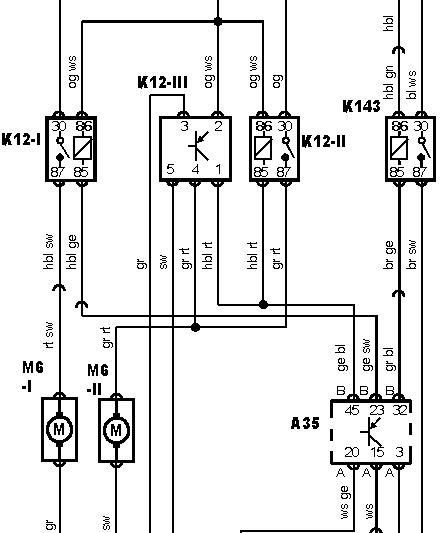
Ами и на мен това ми е странно, ето защото се вдълбих в проблема и ето го резултата.Като за начало виж, че в приложението от ЕПЕР, където си го дал, този превключвател е за "М21" - което означава само за 1.9ТД!Както виждате, това е схемата, която управлява двата вентилатора.Всичко се управлява от ЕКУ-то, като бавна и бърза степен се регулират от /реле/регулатора/най-вероятно обединен с резистора "К12-III"Другите участници са К12-I и K12-II - релетата управлявани от ЕКУ-то за двете степени на вентилаторите. М6-I и M6-II са двете перки. А35 е ЕКУ-тоТа това е схемата на управление на перките.Надявам се да съм бил полезен.A20DTH
ЖТД ама не баш
1NZ−FXE
; 182A8.000 Брава
Х... 330XD, Мултипла, Мареа, Либра, Пунто; 166; Брава; 146; Тема; 145; Типо; Панда
Коментар
-
Днес едва ми стигна времето да отворя кутията пред акумолатора, дето управлява перките.Общо 4 релета, 2 черни и 2 червени и един бушон между тях.Почти и на четерите, клемите им бяха в окаяно състояние. Зачистих колкото можах, но не ми остана време да видя дали, ще завъртат перките. Тъмнината почна да ме дебне и едвам успях да сложа въздухопровода.Ще ви държа в течение, щом установя някаква промяна.
Коментар
-
Като гледам тези бушони са за да предпазват управляващите релета колега погледни ги и тях утре.Посочените с червените стрелки.BO вентилаторите наистина се управляват от ЕКУ но инфото ЕКУ-то го всема от къде?И какво е позиция 279 и 123?Fiat Bravo 1,4 12V; Lancia Zeta 2,0 Turbo; Fiat Doblo 1,9 Multijet 120 h.p.
Fiat Marea Weekend ELX 1,9 TD - бившата
Коментар
-
Ами взема информация за температурата на охлаждащата течност от датчика на термостата. По този датчик ЕКУ-то се ориентира колко е загряла колата и съответно кога да пусне перките.В една тема много дълго дискутирана, бях описал защо перките въртят, колата грее, радиатора студен....Започнахте да убеждавате човека, как радиатора му бил за сменяне, спукани глави и т.н., а то просто и ясно - термостат. А относно тези позиции, за които питаш, там от където си взел диаграмката, там пише и кой номер какво е
A20DTH
ЖТД ама не баш
1NZ−FXE
; 182A8.000 Брава
Х... 330XD, Мултипла, Мареа, Либра, Пунто; 166; Брава; 146; Тема; 145; Типо; Панда
Коментар
-
Пише да след малко труд разгадах цялата система.Датчика на термостата подава инфо на ЕКУ след което то управлява релетата които пък от своя страна подават сила на вентилаторите.Колегата дали си е проверявал предпазителите вляво от волана отдолу защото там са трите предпазитела които пазят релетата.Посочил съм ги на схемата с червени стрелки.Забравих да кача двата файла.BO написа:Ами взема информация за температурата на охлаждащата течност от датчика на термостата. По този датчик ЕКУ-то се ориентира колко е загряла колата и съответно кога да пусне перките.В една тема много дълго дискутирана, бях описал защо перките въртят, колата грее, радиатора студен....Започнахте да убеждавате човека, как радиатора му бил за сменяне, спукани глави и т.н., а то просто и ясно - термостат. А относно тези позиции, за които питаш, там от където си взел диаграмката, там пише и кой номер какво е
Fiat Bravo 1,4 12V; Lancia Zeta 2,0 Turbo; Fiat Doblo 1,9 Multijet 120 h.p.
Fiat Marea Weekend ELX 1,9 TD - бившата
Коментар
-
???
Та пак да се върнем на темата... Проблема при мен идва от там, че бавните обори на перките липсват.Бързите не знам не съм чакал чак до там, защото ме е страх и пускам принудително климата.Днеска разглобих въздухопровода и махнах капачето на релетата. Извадих всички релета, четери на брой и почнах да им подавам напрежение от акумулатора. И четерите релета цъкват и след което с веригопроверител проверих дали затварат, апсолутно здрави са.Релатата-здрави, бушони-здрави, вентилатори и те нали въртат с климат.Остава да се проверат връзките и кабелите и най-вече това което мен ме съмнява, някоя хлабава връска.Опитах се от електрическата схема по ръководството от колата, да извадя кръга само за бавните обороти.Начертах и подредих така , че да е по разбираема.Ще ме извинявате за грозното чертане и грозния краснопис.Приемам всякакви варианти и отзиви!!!
Коментар
-
Най-напред е добре да тестваш принудително, перката дето не иска да завърти.След което да провериш релетата и най-често слуаят е в релето таймер (обеденитела), което се намира при мен на самият радиатор. Bo ми даде добър съвет, но днес валеше много силно и не можах пробвам.Въпростното тестване да видиж дали това реле таймер е здраво седи по следният начин:След като видиш дали всичко е ок по-системата, махаш релетата пред акумулатора и на клема с номер 87, подаваш + от акумулатора.Ако и двете перки тръгнат значи релето таймер е здраво ,ако пак не искат значи не ти идва маса от екуто или ти се куби некуде по- кабелитеTornado, ако не се бъркам имаше същата като твойта със същичят двигател.Нека и той да си даде мнението
Коментар
Реклама
Collapse


Коментар