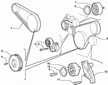
Здравейте. Интересува ме каква е нормалната цена за смяна на пистов ремък на колата от подписа? На мен ми обявиха 150лв., които ми се струват доста... Но може и да греша. И дали някой може да ми каже мога ли сама да си го сменя без да ходя по сервизи и т.н.?
Реклама
Collapse
Съобщение
Collapse
No announcement yet.
каква е нормалната цена за смяна на пистов ремък?
Collapse
X
-
Цената е СМРТ...Може и да има някакви особености при смяната ама ебаси 150 лв...Пробвай някой от хвалените сервизи в тази секция:http://forum.fiat-bg.org/viewtopic.p...=asc&start=150"Без сърца, сме просто машини"
Toyota Prius 1.5 Hybrid
EХ- Brava 1.6, Marea 1.9 JTD, Multipla 1.6 Bipower, Jeep Grand Cherokee ZJ 5.2 V8, Peugeot 407 SW 2.0 HDI, Mitsubishi Pajero 2.8 TDI
-
При дизеловото незнам дали е по същия начин, като при бензиновото, но ще ти опиша метода при бензиновото пунто.Вдигаш на крик и сваляш гумата от към страната на ремъка, сваляш подкалника, след това опъващата ролка с ключ мисля беше 17 опъваш механизма в обратно посока на опъване на ремъка и ремъка пада, после по обратния метод, общо взето човек ако знае какво прави става за около 15-тина минути.punto HGT
Коментар
Реклама
Collapse

Коментар