Днес кво стана със седалката ми, като дръпнах лостчето да се наклони напред за да може да се качват отзад и нещо изпука и сега само облегалката се накланя без да се движи напред.. някакви идеи как да я оправя, че сега отзад влизат като червеи.. Колата е Браво 1.8 98-ма
Реклама
Collapse
Съобщение
Collapse
No announcement yet.
Проблемна седалка...
Collapse
X
-
седалка
Нали има едно съедишнение мъжко /женско долу на тапицерията и се разкача кат се натиска горното на долу а долното на горе и после леко да не ксъсаш нешо се надига тапицерията отдзат има едни къдрави телчета и те се махат имаше и още едни закачалки където пречат някъде има снимки във Форума ама търсачката не ги намира
Коментар
-
Точно тея пластмасови закопчалки, дето са мъжко и женско пробвах да ги разкача по тоя начин, но нещо не успях и си помислих, че не е това начина. Трябва ли да я разглобя да махам пластмасите отстрани и т.н. или само отзад тея закопчалки са достатъчни да сваля ?Седалката е тази пасажерската и скъсания конец е от лявата и страна... ако това има някакво значение...
Коментар
-
Успях да ги разкача и отзад имаше 3 въженца... двете странични си бяха здрави и закачени а 3-тото което е в средата което кара седалката да се плъга напред беше скъсано издрърпах го и излезна около 30 санта ... тоест скъсаното е някъде по средата на седалката и нямам никаква идея как да го съединя ....
Коментар
-
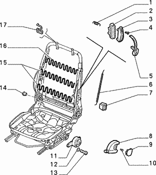
Според мене не ти е там проблема, щом може да се освободи облегалката. Системата е такава, че като освобдиш облегалката и я наклониш напред тя вече дърпа един лост с една пружина, който надига механизма за плъзгане напред на седалката. Залагам, че е счупена тази пружина, тя стои от вътрешната страна на седалката, тази която гледа към ръчната. Трябва да се свали седалката и да се свалят корите и ще видиш какво представлява: една черна пластмасова пръчка с нанизана пружина на нея.--Старата ръжда любов не хваща!--
156 sportwagon 1,9 jtd 115
ex Bravo 1.8;ex Ford Focus 1,8 tddi;
Коментар
-
Еми не съм го оправил, защото не знам как... утре ще кача снимки.Иначе това средното въженце (скъсаното) е закачено кам облегалката и като се накланя тя напред и по този начин го издърва.. най вероятно другия край е свъран с това лостче което кара седалката да се плъзга по релсата.. но нямам никаква идея как да я разглобя тази седалка... а не смея да експериментирам за да не си напрая по големи проблеми...
Коментар
-
Ето колега случайно попаднах на стара снимка, когато оправях моя механизъм. Това представлява устройството което освобождава плъзгането напред, то не зависи от жила, а се задейства с палеца на това металното кръглото, когато се наклони облегалката, при мен се беше скъсала пружината и временно го бях направил със тел, то се вижда, издържа 5-6 отваряния.--Старата ръжда любов не хваща!--
156 sportwagon 1,9 jtd 115
ex Bravo 1.8;ex Ford Focus 1,8 tddi;
Коментар
Реклама
Collapse




Коментар