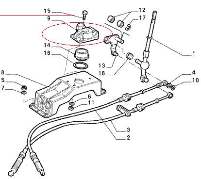
От доста време трудно включвам 1-ва и 2-ра скорост и реших да разглобя скорстния механизъм да видия дали няма да е там проблема . Указа се че корпуса на скоростния лост е счупен пробвах да го сваля (той е захванат с 3 болчета) , но изглежда трябва да се държи контра от долната страна, а до там нямам достъп.Дали трябва да се държи контра отдоло под колата. Някой ако го е сменял да каже.
Реклама
Collapse
Съобщение
Collapse
No announcement yet.
Корпус скоростен лост
Collapse
X
-
Залепих счупената пластмаса и засега е здраво. Скоростите влизат много леко. Преди трябваше да вкарам 2-ра за да влезе на 1-ва а сега си влиза директно. Смятам обаче да го сменя този корпус за по сигурно но още не съм е погледнал отдоло коата да видя дали ще има достъп до гайките да държа контра.Fiat Marea 1,9TD100
Реклама
Collapse


Коментар