Nino написа:
Реклама
Collapse
Съобщение
Collapse
No announcement yet.
Разход на Brava1.9d
Collapse
X
-
Това е доста обезпокоително
Човек да няма сигурно място където да си закара колата за тестване или нещо друго
http://free.bol.bg/dodo155/AlfaRomeo/Punto_JTD_all.JPG
Alfa Romeo 147 07' 1.9 JTDm Q2
FIAT Punto 02' 1.9 JTD
FIAT Punto 99' 1.7 TD
-
Моята помпа е Лукас.И разпръсквачите също са Лукас.А още когато ми направи впечатление че колата гори повече я закарах в Супер дизел.От там ми казаха че колата работи екстра и за София това е нормаллен разход и ме отпратиха да си ходя.А да попитам мога ли сам да регулирам притока на нафта от помпата?Не ми се ходи повече по сервизи,само взимат пари,а не правят нищо.Все пак имам някакви познания по двигатели.
Коментар
-
Да колега може да се регулира, защото трима майстори ми го казаха, но аз отказах, защото:1-ви м-стор: Тази кола не е пипана, по добре не я пипай щом върви.2-ри м-стор: Мога да и регулирам помпата, но динамиката и ще падне (то един Fiat като не върви, всичко се обезсмисля - според мен).3-ти м-стор: Не е нова кола, знаеш ли къде са я пипали. Изолирай EGR-a, покарай я малко, издухай я 5км яко преди да дойдеш, ще и пипнем помпата, ама там е малко тънка работа, ще вземе да се спъне.И аз послушах първия. Започнах да и засичам разхода - всичко зависи от режимите на каране колега, всички автомобили горят в града-в София сигурно повече, а също и навън в зависимост от тежестта на крака. Правилно не бързаш, поогледай я, изчакай - поне аз така мисля - нали върви, нали мачкаш VW -тата
FIAT Marea Weekend ELX TD100, Bravo 1.9 Multijet 16V
Коментар
-
Съвсем изведнъж ли почна да гори повече? Можеш ли да го свържеш със смяна на ангренаж, горивен филтър, някъкав проблем, дори и малък и не на последно място започна ли да върви по-малко когато почна да гори повече? Случайно да си изолирал EGR клапана?Ако имаш желание да дерзаеш сам почни с въпросния клапан(ако вече не е скопен)
Коментар
-
Здравей колега, аз и това направих ама резултата = 10/100 градско ... пакivboje написа:Съвсем изведнъж ли почна да гори повече? Можеш ли да го свържеш със смяна на ангренаж, горивен филтър, някъкав проблем, дори и малък и не на последно място започна ли да върви по-малко когато почна да гори повече? Случайно да си изолирал EGR клапана?Ако имаш желание да дерзаеш сам почни с въпросния клапан(ако вече не е скопен)
Ако има прехвърлен зъб на помпата, то тогава би трябвало да пуши или да не върви
http://free.bol.bg/dodo155/AlfaRomeo/Punto_JTD_all.JPG
Alfa Romeo 147 07' 1.9 JTDm Q2
FIAT Punto 02' 1.9 JTD
FIAT Punto 99' 1.7 TD
Коментар
-
Е аз съм с БОШivboje написа:не е нужно да е цял зъб, и няколко градуса стигат....Ако и двамата сте с Лукас-и и сте от София на Лукас сервиза на "Житница" ходили ли сте?
http://free.bol.bg/dodo155/AlfaRomeo/Punto_JTD_all.JPG
Alfa Romeo 147 07' 1.9 JTDm Q2
FIAT Punto 02' 1.9 JTD
FIAT Punto 99' 1.7 TD
Коментар
-
отговор на малко по-заден пост-аз като си я купих постоянно газта ми беше до ламарината и мислех, че дизел така се кар
и разправях, че сеатът ми - 60кс вървеше повече и че това браво не чоже да е 100кс
е впоследствие се научих да я треетирам както трябва и тя ми се отплаща - добър разход, по моему, около 9 градско, и добра динамика - на кръговото на цариградско от потегляне без предимство, задницата ми щеше да ме изпревари
- върви си машинката идеално.дори сега бившият й собственик разправя - голяма бегачка беше бравото (смени го за голф 3 1.9тди - 90кс, защото е 4 врати и гори по-малко) за мен това беше много приятно и изгодно
поздрави, колеги, карайте и не мислете за разхода, щом е в границите на нормалното, а в София, 10 си е толкова
A big fan of 'Top Gear' and 'Foose design'
e30 forever!
Коментар
-
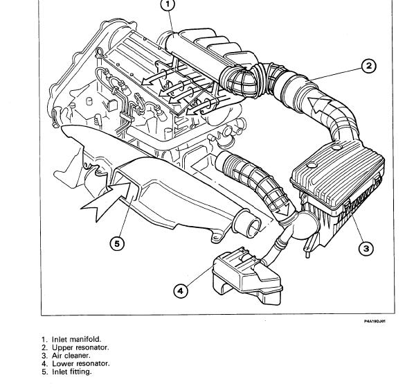
не мога да намеря графична схема на твоя двигател, затова ще ти обясня с думи:1.търсиш огнеопорна тръба свързваща двата колекра - всмукателния и изпускателния-при теб е лесно от едната страна на двигателя са;2.в единия край на въпросната тръба откъм изпускателния има един клапан EGR - той ти трябва;3.от клапана излиза гумено маркуче за вакум, което трягва да издърпаш и запушиш с подходящо болтче - за да не се разхищава вакума. Не го режи маркучето - може да се наложи да възстановяваш системата - с тоя ЕВРОСЪЮЗ не се знае;4.купуваш си биричка в кутийка и я изпиваш цялата(малко е студено в момента ама...) защото ти трябва кутийката, разцепваш я и опъваш ламарината доколкото може;5. отвиваш тръбната връзка откъм всмукателния колектор(желателно) обикновено е с фланец и малки болтчета;6.изрязваш от ламарината пластинка с формата на фланеца - нещо като гарнитурка, само че плътна;7.пробиваш съответния брой отвори за болтчетата и поставяйки пластината от бирена кутийка м/у колектора и фланеца и сглобяваш - ако е необходимо ползвай някъкъв херметик - червен силикон например в умерени количестватова е всичко - сега изгорелите газове нямат никакъв шанс да проникнат от изпускателния във всмукателния колектор. предназначението на EGR клапана е да пропуска по малко изгорели газове при някои режими във всмукателния колектор с цел екология, само че както и катализатора дори и работрщ задушава двигатела затова - КЛЪЦ
Коментар
-
Аз лично пипах и елиминирах EGR-клапана, защото ми се струваше, че мотора пропушва по-вече от колкото трябва, но то пушенето идва пак от начина на каране-при рязко ритане, при по-високи обороти на смяна на скорости, важно е и горивото, както писа по-горе BEX---, да усетим автомобила. Карам моя Fiat година, но смея да твърдя, че знам кога ще изпуши, кога няма и какъв ми е разхода за изминатите километри в зависимост от карането ми. А иначе за EGR-клапана тук има написано нещо. http://www.fiat-bg.org/forum/viewtop...t=ejr&start=15Трябва да ти стане ясно има ли при теб EGR, зашото като гледам графиката на мотора 1.9D???Методиката с кутийката от бира трябва да се използва само когато си сигурен, че EGR стои непрекъснато отворен (не се управлява от вакуума, повреден), в противен случай извади само управляващия шлаух, постави една по-голяма съчмичка и отново го постави (шлауха) на мястото. Така бързо се възтановява схемата.Ако пък се съмняваш, че EGR-ът не работи виж прикачения файл.купуваш си биричка в кутийка и я изпиваш цялата(малко е студено в момента ама...) защото ти трябва кутийката, разцепваш я и опъваш ламарината доколкото може; 5. отвиваш тръбната връзка откъм всмукателния колектор(желателно) обикновено е с фланец и малки болтчета; 6.изрязваш от ламарината пластинка с формата на фланеца - нещо като гарнитурка, само че плътна; 7.пробиваш съответния брой отвори за болтчетата и поставяйки пластината от бирена кутийка м/у колектора и фланеца и сглобяваш - ако е необходимо ползвай някъкъв херметик - червен силикон например в умерени количестваПрикачени файловеFIAT Marea Weekend ELX TD100, Bravo 1.9 Multijet 16V
Коментар
-
Трябва да се центроватMartoModev написа:Днес ми изпаднаха 3бр.4исто нови дюзи.но незнам от каква кола са.Искам да попитам трябва ли някъква центровка преди да ги монтирам или те са цетровани заводско.
http://free.bol.bg/dodo155/AlfaRomeo/Punto_JTD_all.JPG
Alfa Romeo 147 07' 1.9 JTDm Q2
FIAT Punto 02' 1.9 JTD
FIAT Punto 99' 1.7 TD
Коментар
Реклама
Collapse



Коментар