Здравейте колеги,бравото ми за съжаление излиза от завода през 1997г. БЕЗ халогени.Взех си Абартова броня и вече монтажа на халогени е препоръчителен
Снабдих се с халогените,релето и бутоните,но сега идва по-интересната част - да свържа всичко и да заработи както трябва.Ще се радвам на помощта Ви,така може темата да бъде полезна и за други колеги.За начало разбрах крачетата на релето за какво са.+12В при включени габарити СЛЕД контакт за краче 85 на релето. 86 е маса. 30 е към акумулатора, а 87 захранва общата точка на двата фара за мъгла.Сега следващият ми въпрос е на платката с бутона за халогени има 3 крачета.Кое краче с кое се свързва?Понеже оригинално ги нямам кабелите,които трябва да влязат там.Благодаря предварително и се извинявам ако задавам глупави въпроси,надявам се темата да бъде полезна
Реклама
Collapse
Съобщение
Collapse
No announcement yet.
Подготовка и монтаж на халогени - Фиат Браво
Collapse
X
-
Ползвай търсачката
Ключ.Майтапя се
Само да добавя - кабелът по който ще дойде +12 от габаритите и ще ходи към 85 на релето - той трябва да се резне и да влезе от двете страни на бутона за фаровете за мъгла. Да ги включваш и изключваш. Щом е с три крачета, може да прекъсва и масата, а не захранващия кабел. Изглежда по-смислено и така трите крачета би трябвало да са:1 - кабел, който излиза от 86 на релето и влиза в бутона. 2 - кабел, който излиза от 87 на релето и влиза в бутона. Този кабел захранва лампата в бутона и светването и показва, че релето е включено. (Това е важно - трябва да се направи лампата да светне като е включено релето, а не като е натиснат бутона. Мисля, че така е оригинално.3 - маса - от тук излиза общата маса на лампичката и прекъснатия кабел, дето влиза в краче 1 и отива в точка за маса.Като си включа другия компютър по-късно, ще погледна съвсем точно картинката.
-
Да - 2. Един на веригата на бобината на релето, съвсем слаб - 5 или 7.5 А, и един на силовата верига, на кабела между акумулатора и краче 30 на релето. Задължително само оригинални бушони, свалени от кола от морга. Никакви такива от бензиностанции и Бриколаж/Практикер/Фантастико...Нема да е тая вечер да видя картинките. Ако можеш ги качи. По-добр би било да качиш снимка от файловете в папка OLD, откъде си дърпал ръководството. Мисля, че гледаш правилната схема. Трябва да пише "Front Fog Lights / Rear Fog Lights" или нещо подобно.Ред.: Кабелите - тези, които се забождат на крачета 30 и 87 - дебели, задължително. 2.5 мм^2 е добре. За крачета 85 и 86 - 0.5 - 0.75 мм^2 максимум. Там токът е малък.
Коментар
-
Почвам с кофти въпросите,и ако може да ги изтрием от темата после за да не е пълна с глупости
За единия бушон от акумулатора до краче 30 разбрах че там е единия бушон но не разбрах колко ампера,за другия бушон разбрах само колко ампера,но не и "Един на веригата на бобината на релето" - не мога да разбера къде (пак се извинявам че се излагам,но по-добре да питам от колкото да го сложа не където трябва).Това колко да са дебели кабелите също е много полезно,за него не бях се сетил да питам
Днес ще събирам каквото ми трябва бушони,кабели.Снимките от схемата:
като отново не съм сигурен дали са точно тези,които трябва да кача.
1.6 16v Abarth
Коментар
-
Преди малко стигнах до заключението че инсталация има пусната.Има го и релето и от него и до него идват кабели.Отпред пред акумулатора си отива кабела,който съм 99% сигурен че е за халогените,понеже цвета на кабелите съвпада и буксите си щракват една в друга.Но проблема е че до там не достига ток.Разгледах бушоните,има си бушон на мястото на което трябва да си е.От централната букса,която влиза в платката с бутона излизат доста кабели,което ме навежда на мисълта че не ми трябва друга букса която да се щраква на платката.Ето и малко снимки:
Какво според вас липсва за да не отива ток до кабела,който съм снимал че отива до халогените?
1.6 16v Abarth
Коментар
-
Абе и аз си мислех че трябва да е окабелена инсталацията ама нали каза че била еди каква си година и до там. По спомен отзад на платката мисля че са две букси, като разглибиш платкта вътре трябва да са две или три малки реленца/ по скоро три/. Отвори платката и проследи инсталацията, може да го няма някое от релетата вътре, или бутона да е залепнал.А бутон има ли?Кара FIAT BRAVO 1,8/16V GT99. ГИ ФОБОС
(\\\)[___////___](\\\) R.I.P. моя любов.
Алфа 147 1.9 mjtd няква дукати история. Абсолютен саждо-генератор.
Коментар
-
Да колега,взех си платката с бутона от същата кола от която са и халогените но има мисля че само едно реленце по средата.Платката наистина е с 2 букси,но в малката не влиза нищо,в тази по средата влизат доста кабели както се вижда на снимката,някои от тях отиват точно до малкото черно реленце.За това не знам дали 2-рата букса на платката трябва да се използва.Но по-логично ми се струва да се ползва,иначе за какво да я сложат.Сега ще разглобя и ще снимам платката с бутона за халогените да се види какво има по нея.heeeelpРед. Ето и обещаните снимки на платката с бутона за халогени,на която се вижда че има само 1 малко реленце:
1.6 16v Abarth
Коментар
-
Ами Оги,аз нали написах по-горе че релето си го има и си е на мястото му,извадих го да видя дали е същото като това което са ми пратили и е същото.Отново го сложих на мястото където си беше.Пробвах дали ще светне бутона но не..И до кабела който излиза извън купето пред акумулатора също няма токове.Нещо липсва,но какво ли е то ..Сега смених и моето реле с това което ми пратиха за да отпаднат съмненията ми у него,но никаква промяна.Другите бутони си работят светят само за халогените не.Мисля си че е нещо елементарно,но като не разбирам..
Ред. Ся като се замисля,отпред при двигателя нали има бушоно за тва онова,да не би там някъде да ми липсва бушонец за тези халогени ?Гледам схемата
и се чудя кое от тези неща ми прави проблем..като се замисля не са много,но трябва на светло да ги проследя тези кабели и всичко останало.
1.6 16v Abarth
Коментар
-
Колега за празната букса съм 99.9% сигурен че грешиш защото на моята кола нямам ори аларма а в тая букса влизат 3 кабела от които поне единия е за халогените (при изключена букса не светват!)ogi28b написа:Еми едно е де, колко искаш? За задните светлини за мъгла е то. Тая празната букса би трябвало да е за онази част от платката, която отговаря за алармата. В крайна сметка сложи ли релето на мястото му в жабката и закачи ли кабелите за да пробваш дали поне ще светне бутона?
Коментар
-
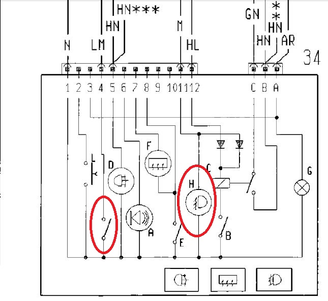
Абе така е, като си пиша наизуст - бъркам. Забравил съм го как беше. Качвам картинка, а преди картинката - обяснения:Релето за светлини за мъгла обикновено го няма, ако колата няма такива светлини. (Спестяват се разходи за реле). Ако все пак го има - леглото му е постоянно захранено. Мери се с мултицет дали има напрежение +12 на мястото, на което влиза краче 30. Няма значение дали колата е на контакт или не. Връзката е директна до акумулатора, през бушон 293- B. Това е бушонът, който се намира на позиция 2, броено отдолу нагоре в дясната половина с предпазители на допълнителния цокъл над основното табло. Вижда се ясно на прикачената по-горе схема. Ако няма +12 - има два варианта - единият е да не е това правилното легло за реле, а другият - да е изгорял бушона. Да се провери бушона (с мултицет - зумер, а не на око!). Ако има +12 - продължаваш нататък: Вземаш парче кабел, по-дебел, например 1.5 кв. мм или повече, и свързваш накъсо тези две позиции от леглото на релето, които съответстват на крачета с номера 30 и 87 от релето. Когато ги свържеш накъсо, трябва да има +12 на буксата в предната част на автомобила, от която се разклоняват кабели за левия и десния фар. Това би трябвало да е елемент номер 29 на прикачената по-горе схема. Ако на тази букса има +12 в този момент и фаровете за мъгла все още не са светнали - проверява се дали на входовете на лампите има +12. Ако има, но лампите все още не светят - проверяват се лампите дали са здрави. Ако са здрави - провеярва се дали добре са захванати кабелите, които ще отвеждат към маса. Ако са добре захванати - изключва се късото съдинение, което е направено по-рано в леглото на релето и със зумера се проверява дали има връзка между минус на акумулатора и отрицателния край на лампата във фара за мъгла. Ако има маса - значи просто не контактува добре някъде, защото хем има +12, хем има маса, хем лампите са здрави, хем не светят. Да се проверят внимателно всички връзки на кабели и букси. Всичко това се прави без значение каква е платката, колко бутона има на нея и какви кабели и букси влизат в нея. Тя няма значение до тук. Провери тези неща и осигури работата на фаровете за мъгла без релето, с кабелчето накъсо между леглата на крачета 30 и 87, а едва след това ще се занимаваш с платката и бутоните. Според качената схема - буксата с 3-те кабелчета няма отношение към фаровете за мъгла и няма значение дали е включена в платката или не. Тя е за задните светлини за мъгла и за захранването на осветлението на картинките на бутоните. Не трябва да се бърка осветлението на бутона с контролната светлина на самия бутон. Както е видно на схемата - бутонът (ограденото в червено вляво) прекъсва масата на релето 32 през този кабел 4. LM от широката букса, а контролната лампа се захранва през кабелчето 11. М пак на широката букса. При изключена широка букса от платката и мостът накъсо при леглото на релето 32 - трябва да има +12 на това кабелче 11. М на широката букса, а като се махне мостчето - тези +12 трябва да изчезнат. Докарай ток от релето до фаровете за мъгла, а после ще се занимаваш с тая платка. И все пак - ако нещо не съвпада - значи колата не е изпълнена по тази схема. Трябва да се мери внимателно с мултицета къде и какво има. Задните светлини за мъгла работят ли ти, след като я нямаш тая букса с 3-те кабела?
Вземи ги смени тея бушони измислени без надписи, докато не си се запалил някъде все още. Отиди в някоя морга и си свали от кола оригинални.
Коментар
-
Е зае**, ти ме утрепА с тоя отговор. Аз нали правилно съм разбрал, че ти липсва три-кабелната букса? Ако е така - лошо. Има разлика в платките и язък за писанието! То няма да отговаря. Дори при релето всичко да е наред, ще липсва управлението му и сигурно ще трябва да пуснеш няколко нови кабелчета. Като включиш новата платка, функционалността на другите два бутона и осветлението запазват ли се?
Коментар
-
Да всичко работи коректно с новата платка,светят си и задните за мъгла и контролната им лампичка и нагревателя си нагрява и лампичката му също светва като го пусна.Само халогените ги няма.И да,липсва ми 3 кабелната букса.Каквото трябва ще направя,правили сме го и преди и сега ще стане
Мерак като има
1.6 16v Abarth
Коментар
Реклама
Collapse



Коментар