Реклама

Collapse

Съобщение

Collapse
No announcement yet.

Проблем габарит Fiat Marea 1.9 jtd

Collapse
X
 
  • Филтър
  • Час
  • Покажи
Clear All
new posts

    Проблем габарит Fiat Marea 1.9 jtd

    Колеги,от няколко месеца имам проблем с десния плафон за осветяване на номера(крушката гасне,но с леко почукване светва веднага или като мина през дупка),та карах си няколко месеца така,но започнаха проблемите!Една вечер ми светна лампата,че ляв стоп не работи,на другия ден при разглабяне за смяна виждам че горната фасунка едната пъпка не ми харесва защото беше хлътнала в пластмасата около нея и не прави хубав контакт(по мое мнение),та взех цяла задна част на стопа от работеща кола и я слагам,но след няколко часа правилна работа пак светна индикация на таблото за неработещ стоп!След това спря да работи и десния плафон(не ставаше вече с почукване) и вземем нови крушки свалям ииии... крушките здрави,а съседа ме вижда и вика преден десен габарит не ти свети иии...направо шашнат проверка на всички крушки-здрави са;проверка за ток до фасунката на стопа-няма ток;проверка на буксата за стопа-няма ток;проверен и сменен бушон-не е изгорял!
    П.П Стоповете и мигачите на левия стоп си работят,но габарита го няма изобщо!
    Идеи?

    #2
    Предпазителя здрав ли е?
    Fiat Marea Weekend 1.9 jtd 110 SX- еmzo power

    Коментар


      #3
      Колега ако говориш за бушона-да,здрав е!

      Коментар


        #4
        Имаш хлабава връзка някъде. Огледай по-добре, защото може да се окаже, че въобще не е от габарита.
        Велосипед да, но ролкови кънки - не! Балканчето е без акумулатор, симсонката е без гуми. Я, падна ми се и фиатче 126! Вече съм с фиат и напреднал шофьор, та чак съм станал маниак, а сега и фанатик!

        Коментар


          #5
          Смени си целия стоп - имаш отечка там
          koce73 , Fiat Marea Weekend 1.6 16V 1997 специално пригодена за тежък терен , отскоро и Subaru Forester 2.0 2005 за още по-тежък терен 0895747442

          Коментар


            #6
            Пробвано с друг стоп-същата история преден десен,заден ляв и десния плафон на номера не светват!

            Коментар


              #7
              Ако ти кажа, че са на един бушон, не знам дали ще ми повярваш.

              На този модел габаритите са така - на кръст, ако може да се каже - преден десен със заден ляв и обратно. Отзад габаритите и номера също са на кръст - ляв габарит е с десен плафон на номера и обратно.

              А това с почукването - тогава просто е било лош контакт и при вибрация се е размествало. После вече е настъпил общият проблем - с бушона или леглото му.

              Какъв метод използваш за проверка на бушона дали е здрав?

              Коментар


                #8
                Да,видях че са на един бушон от 10А!Ами вадя и гледам дали е прекъснат,но пробвах да ги разменя със съседния за десния заден габарит-без ефект;сложих друг бушон-без ефект

                Коментар


                  #9
                  Колеги,премерихме гнездото на бушона и ток там ИМА!

                  Коментар


                    #10
                    Тая мистерия все повече заприличва на липсваща маса ....
                    koce73 , Fiat Marea Weekend 1.6 16V 1997 специално пригодена за тежък терен , отскоро и Subaru Forester 2.0 2005 за още по-тежък терен 0895747442

                    Коментар


                      #11
                      Колеги,казвайте методи как,къде и защо да търся?Викат че било незначителна техническа неизправност и можело акт 50лв!А,ми се иска и колата ми да е изрядна!Просто нямам идея защо да прави тези симптоми...

                      Коментар


                        #12
                        Електрическата схема на габарита някой може ли да покаже?А на колата ?

                        Коментар


                          #13
                          Е, айде сега.... за 9 години нито веднъж ли не отвори този раздел? То пък да кажеш, че сме го скрили - да, ама не сме.

                          Click image for larger version

Name:	Capture.PNG
Views:	1
Size:	364,9 KB
ID:	2098698


                          Гледай к'во става тука.... книги да искаш! Препоръчвам ти, в случай че Марейските не се виждат хубаво, да гледаш схемите на Браво/Брава от папката "NO_OCR", това са оригиналните сканирани ръководства, преди да минат OCR. Отваряш част 3 или 4 беше, на страница 381 и търсиш в съдържанието габаритите.

                          Click image for larger version

Name:	Capture.PNG
Views:	1
Size:	95,7 KB
ID:	2098699

                          На 387 стр. в част 4, това ти трябва.

                          Коментар


                            #14
                            Click image for larger version

Name:	Capture.jpg
Views:	1
Size:	180,6 KB
ID:	2098700

                            Click image for larger version

Name:	Capture.PNG
Views:	1
Size:	59,5 KB
ID:	2098701

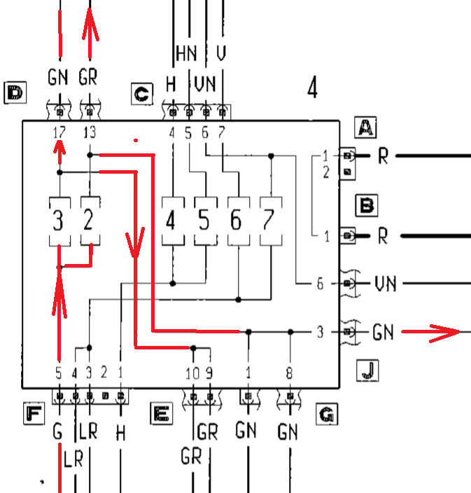
                            F-5 - вход от контактния ключ, основното захранване на габаритите
                            D-17 - изход към преден ляв габарит
                            D-13 - изход към преден десен габарит
                            Е-9 - изход към заден десен габарит
                            E-10 - изход към задна лява светлина на номера
                            G-1 - изход към заден ляв габарит
                            G-8 - изход към задна дясна светлина на номера

                            J-3 - изход към контролна лампа за включени габарити, тя също е на бушон 2

                            Единствената обща точка между трите неработещи светлини е в таблото с бушони - пистите и самият бушон номер 2. Нито кабелите им са общи, нито конекторите, нито дори масата им излиза в на общо място. Всяка излиза на отделна точка за маса от другите две.

                            Остава да измериш връзките в таблото, написал съм ти ги и се виждат, и ако там всичко е наред, да "прозвъниш" кабелите, макар че три кабела (точно тези три!) едновременно да се повредят - или е невъзможно или ги е ял много умен и гладен плъх.

                            Коментар


                              #15
                              Колега,ogi28b-ЗЛАТЕН СИ!!!!!

                              Коментар

                              Working...
                              X